Главная > Подшипники> Шариковые> Радиально-упорные>3NCHAR922CA

3NCHAR922CA — Радиально-упорный шарикоподшипник, импортное производство по ISO стандарту, размер 110x150x20 номер основного исполнения 922.
Производитель: KOYO.
CA = Цельный обработанный латунный сепаратор, двойной зуб, удерживающие фланцы на внутреннем кольце и направляющем кольце, центрированные на внутреннем кольце.
Цена по запросу
Цена на подшипник зависит от:
| Обозначение | Модификация |
|---|---|
| 922 | Основное конструктивное исполнение. |
| HAR922 | |
| HSB922C | С = Необслуживаемые концы стержней, внутренняя резьба. |
| HAR922C | С = Необслуживаемые концы стержней, внутренняя резьба. |
| HAR922CA | CA = Цельный обработанный латунный сепаратор, двойной зуб, удерживающие фланцы на внутреннем кольце и направляющем кольце, центрированные на внутреннем кольце. |
| HTA922DB | D = профиль наружного кольца, усовершенствованный, с увеличенной зоной несущей нагрузки и оптимизированными краевыми переходами. |
| SL14 922 | |
| SL11 922 | |
| SL12 922 | |
| SL15 922 | |
| 3NCHAR922 | A = Модифицированная внутренняя конструкция. R = Наружное кольцо с фланцем. |
| 3NCHAC922C | AC = Угол контакта 25 градусов. |
| 3NCHAR922C | A = Модифицированная внутренняя конструкция. R = Наружное кольцо с фланцем. |
| 5S-HSB922C | S (Сегментное уплотнение, код 2L) = кулачковый толкатель, Camrol, герметичная версия. B = шестигранное отверстие ,заменяет шлиц отвертки в конце фланца штока. |
| 3NCHAC922CA | CA = Цельный обработанный латунный сепаратор, двойной зуб, удерживающие фланцы на внутреннем кольце и направляющем кольце, центрированные на внутреннем кольце. |
| 3NCHAF922CA | CA = Цельный обработанный латунный сепаратор, двойной зуб, удерживающие фланцы на внутреннем кольце и направляющем кольце, центрированные на внутреннем кольце. |
| 3NC HAR922C FT | C = отклоняющаяся или измененная внутренняя конструкция с одинаковыми граничными размерами. F = Механически обработанный сепаратор из стали или чугуна, центрируемый по телам качения. |
| 5S-2LA-HSE922G/GNP42 | GN = нормальная предварительная нагрузка. P = Литой сепаратор из стеклонаполненного полиамида 6,6, центрируемый по телам качения. |
| 5S-2LA-HSE922CG/GNP42 | GN = нормальная предварительная нагрузка. P = Литой сепаратор из стеклонаполненного полиамида 6,6, центрируемый по телам качения. |
| 5S-2LA-HSE922ADG/GNP42 | GN = нормальная предварительная нагрузка. P = Литой сепаратор из стеклонаполненного полиамида 6,6, центрируемый по телам качения. |
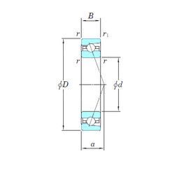
Габаритные размеры
Размеры и геометрические характеристики
Нагрузка и ресурс
Защита
Присоединительные размеры
Конструкция и исполнение
Подшипник однорядный шариковый радиальный 61922 (CX, ISB, ISO, NKE, SIGMA)
Подшипник шариковый однорядный радиально-упорный B71922 C.T.P4S.UL (FAG)
Подшипник шариковый однорядный радиально-упорный B71922 E.T.P4S.UL (FAG)