Главная > Подшипники> Шариковые> Радиально-упорные>3NCHAR909

3NCHAR909 — Радиально-упорный шарикоподшипник, импортное производство по ISO стандарту, размер 45x68x12 номер основного исполнения 909.
Производитель: KOYO.
A = Модифицированная внутренняя конструкция. R = Наружное кольцо с фланцем.
Цена по запросу
Цена на подшипник зависит от:
| Обозначение | Модификация |
|---|---|
| 909 | Основное конструктивное исполнение. |
| HAR909 | |
| HAR909C | С = Необслуживаемые концы стержней, внутренняя резьба. |
| HAR909CA | CA = Цельный обработанный латунный сепаратор, двойной зуб, удерживающие фланцы на внутреннем кольце и направляющем кольце, центрированные на внутреннем кольце. |
| 3NCHAC909C | AC = Угол контакта 25 градусов. |
| 3NCHAR909C | A = Модифицированная внутренняя конструкция. R = Наружное кольцо с фланцем. |
| 3NCHAC909CA | CA = Цельный обработанный латунный сепаратор, двойной зуб, удерживающие фланцы на внутреннем кольце и направляющем кольце, центрированные на внутреннем кольце. |
| 3NCHAF909CA | CA = Цельный обработанный латунный сепаратор, двойной зуб, удерживающие фланцы на внутреннем кольце и направляющем кольце, центрированные на внутреннем кольце. |
| 3NCHAR909CA | CA = Цельный обработанный латунный сепаратор, двойной зуб, удерживающие фланцы на внутреннем кольце и направляющем кольце, центрированные на внутреннем кольце. |
| 5S-2LA-HSE909CG/GNP42 | GN = нормальная предварительная нагрузка. P = Литой сепаратор из стеклонаполненного полиамида 6,6, центрируемый по телам качения. |
| 5S-2LA-HSE909ADG/GNP42 | GN = нормальная предварительная нагрузка. P = Литой сепаратор из стеклонаполненного полиамида 6,6, центрируемый по телам качения. |
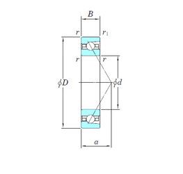
Габаритные размеры
Размеры и геометрические характеристики
Нагрузка и ресурс
Защита
Присоединительные размеры
Конструкция и исполнение
Подшипник однорядный шариковый радиальный 61909 (CRAFT, CX, FAG, Fersa, INA)
Подшипник шариковый однорядный радиально-упорный B71909 C.T.P4S.UL (FAG)
Подшипник шариковый однорядный радиально-упорный B71909 E.T.P4S.UL (FAG)