Главная > Подшипники> Шариковые> Радиально-упорные>3NCHAR028C

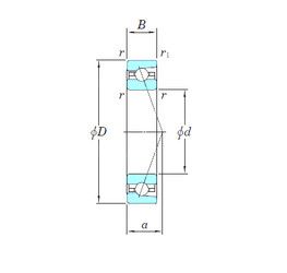
3NCHAR028C — Радиально-упорный шарикоподшипник, импортное производство по ISO стандарту, размер 140x210x33 номер основного исполнения .
Производитель: KOYO.
A = Модифицированная внутренняя конструкция. R = Наружное кольцо с фланцем.
Цена по запросу
Цена на подшипник зависит от:
Габаритные размеры
Размеры и геометрические характеристики
Нагрузка и ресурс
Защита
Коэффициенты для расчета
Присоединительные размеры
Конструкция и исполнение
Однорядный цилиндрический роликовый подшипник NU1028 (CX, CYSD, ISB, ISO, KOYO)
Подшипник шариковый радиально-упорный 7028 (CYSD, KOYO, NACHI, NTN, SKF)
Однорядный цилиндрический роликовый подшипник NU1028 M (AST, NKE)
Однорядный цилиндрический роликовый подшипник NU1028 M1 (FAG, NKE)
Однорядный цилиндрический роликовый подшипник NU1028 M1.C3 (NKE)
Однорядный цилиндрический роликовый подшипник NU1028 ML (NKE, SKF)