Главная > Подшипники> Шариковые> Радиально-упорные>3NCHAR021C

3NCHAR021C — Радиально-упорный шарикоподшипник, импортное производство по ISO стандарту, размер 105x160x26 номер основного исполнения .
Производитель: KOYO.
A = Модифицированная внутренняя конструкция. R = Наружное кольцо с фланцем.
Цена по запросу
Цена на подшипник зависит от:
Габаритные размеры
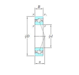
Размеры и геометрические характеристики
Нагрузка и ресурс
Защита
Коэффициенты для расчета
Присоединительные размеры
Конструкция и исполнение
Однорядный цилиндрический роликовый подшипник NU1021 (CX, CYSD, ISB, ISO, KOYO)
Подшипник шариковый радиально-упорный 7021 (CYSD, KOYO, NACHI, NSK, NTN)
Подшипник шариковый однорядный радиально-упорный HS7021 C.T.P4S.UL (FAG)
Подшипник шариковый однорядный радиально-упорный HS7021 E.T.P4S.UL (FAG)