Главная > Подшипники> Шариковые> Радиально-упорные>3NCHAR020

3NCHAR020 — Радиально-упорный шарикоподшипник, импортное производство по ISO стандарту, размер 100x150x24 номер основного исполнения .
Производитель: KOYO.
A = Модифицированная внутренняя конструкция. R = Наружное кольцо с фланцем.
Цена по запросу
Цена на подшипник зависит от:
Габаритные размеры
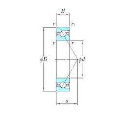
Размеры и геометрические характеристики
Нагрузка и ресурс
Защита
Присоединительные размеры
Конструкция и исполнение
Однорядный цилиндрический роликовый подшипник NU1020 (CX, CYSD, FBJ, ISB, ISO)
Подшипник шариковый однорядный радиально-упорный 7020 (CYSD, KOYO, NACHI, NSK, NTN)
Подшипник шариковый однорядный радиально-упорный B7020 E.T.P4S.UL (FAG)
Подшипник шариковый однорядный радиально-упорный HS7020 C.T.P4S.UL (FAG)