Главная > Подшипники> Шариковые> Радиально-упорные>3NCHAR016CA

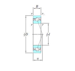
3NCHAR016CA — Радиально-упорный шарикоподшипник, импортное производство по ISO стандарту, размер 80x125x22 номер основного исполнения .
Производитель: KOYO.
CA = Цельный обработанный латунный сепаратор, двойной зуб, удерживающие фланцы на внутреннем кольце и направляющем кольце, центрированные на внутреннем кольце.
Цена по запросу
Цена на подшипник зависит от:
Габаритные размеры
Размеры и геометрические характеристики
Нагрузка и ресурс
Защита
Присоединительные размеры
Конструкция и исполнение
Подшипник однорядный шариковый радиальный 6016 (AST, CRAFT, CX, CYSD, FAG)
Подшипник шариковый однорядный радиально-упорный 7016 (CYSD, KOYO, NACHI, NTN, SKF)
Подшипник шариковый радиальный однорядный 116