Главная > Подшипники> Шариковые> Радиально-упорные>3NCHAR016C

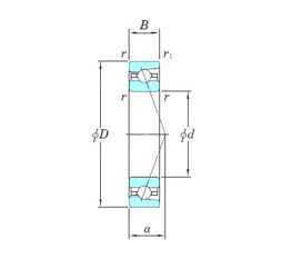
3NCHAR016C — Радиально-упорный шарикоподшипник, импортное производство по ISO стандарту, размер 80x125x22 номер основного исполнения .
Производитель: KOYO.
A = Модифицированная внутренняя конструкция. R = Наружное кольцо с фланцем.
Цена по запросу
Цена на подшипник зависит от:
Габаритные размеры
Размеры и геометрические характеристики
Нагрузка и ресурс
Защита
Коэффициенты для расчета
Присоединительные размеры
Конструкция и исполнение
Подшипник однорядный шариковый радиальный 6016 (AST, CRAFT, CX, CYSD, FAG)
Подшипник шариковый однорядный радиально-упорный 7016 (CYSD, KOYO, NACHI, NTN, SKF)
Подшипник шариковый радиальный однорядный 116