Главная > Подшипники> Шариковые> Радиально-упорные>3NCHAR012C

3NCHAR012C — Радиально-упорный шарикоподшипник, импортное производство по ISO стандарту, размер 60x95x18 номер основного исполнения .
Производитель: KOYO.
A = Модифицированная внутренняя конструкция. R = Наружное кольцо с фланцем.
Цена по запросу
Цена на подшипник зависит от:
Габаритные размеры
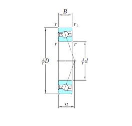
Размеры и геометрические характеристики
Нагрузка и ресурс
Защита
Коэффициенты для расчета
Присоединительные размеры
Конструкция и исполнение
Однорядный цилиндрический роликовый подшипник NU1012 (CX, CYSD, FBJ, ISB, ISO)
Подшипник шариковый однорядный радиально-упорный 7012 (CYSD, IBC, KOYO, NACHI, NTN)
Подшипник шариковый радиальный однорядный 112
Подшипник шариковый радиальный 8112 (ГПЗ-4)