Главная > Подшипники> Шариковые> Радиально-упорные>3NCHAR011C

3NCHAR011C — Радиально-упорный шарикоподшипник, импортное производство по ISO стандарту, размер 55x90x18 номер основного исполнения .
Производитель: KOYO.
A = Модифицированная внутренняя конструкция. R = Наружное кольцо с фланцем.
Цена по запросу
Цена на подшипник зависит от:
Габаритные размеры
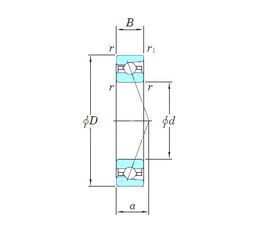
Размеры и геометрические характеристики
Нагрузка и ресурс
Защита
Коэффициенты для расчета
Присоединительные размеры
Конструкция и исполнение
Однорядный цилиндрический роликовый подшипник NU1011 (CX, CYSD, FBJ, ISB, ISO)
Подшипник однорядный шариковый радиальный 6011 (FAG, NIS)
Подшипник шариковый однорядный радиально-упорный B7011 E.T.P4S.UL (FAG)