Главная > Подшипники> Шариковые> Радиально-упорные>3NCHAR007CA

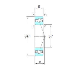
3NCHAR007CA — Радиально-упорный шарикоподшипник, импортное производство по ISO стандарту, размер 35x62x14 номер основного исполнения .
Производитель: KOYO.
CA = Цельный обработанный латунный сепаратор, двойной зуб, удерживающие фланцы на внутреннем кольце и направляющем кольце, центрированные на внутреннем кольце.
Цена по запросу
Цена на подшипник зависит от:
Габаритные размеры
Размеры и геометрические характеристики
Нагрузка и ресурс
Защита
Присоединительные размеры
Конструкция и исполнение
Подшипник однорядный шариковый радиальный 6007 (FAG, NIS)
Подшипник шариковый однорядный радиально-упорный 7007 (CYSD, FAG, KOYO, NACHI, NTN)
Однорядный цилиндрический роликовый подшипник NU1007 (CX, CYSD, FBJ, ISB, ISO)
Подшипник шариковый радиальный однорядный 107
Подшипник шариковый однорядный радиально-упорный HS7007 E.T.P4S.UL (FAG)