Главная > Подшипники> Роликовые > Радиально-упорные>3984/2/3920/2/Q

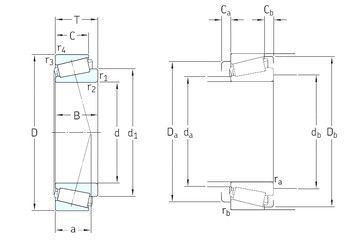
3984/2/3920/2/Q — Однорядный конический роликовый подшипник, импортное производство по ISO стандарту, размер 66x112x30 номер основного исполнения .
Производитель: SKF.
Q = тихий ход работы подшипника.
Цена от:1 183 р.
Цена на подшипник зависит от:
Габаритные размеры
Размеры и геометрические характеристики
Нагрузка и ресурс
Защита
Коэффициенты для расчета
Присоединительные размеры
Конструкция и исполнение
Однорядный конический роликовый подшипник 39591/39520 (CX, ISO, TIMKEN)
Однорядный конический роликовый подшипник 39590/39521 (CX, ISO, KOYO, NIS, NSK)
Однорядный конический роликовый подшипник 39590/39520/Q (SKF)
Однорядный конический роликовый подшипник 39590/39520 (CRAFT, CX, FBJ, Fersa, ISB)
Однорядный конический роликовый подшипник 39590/39520B (TIMKEN)
Конический роликоподшипник 39590/20 (PFI)