Главная > Подшипники> Роликовые > Радиально-упорные>398/394AS

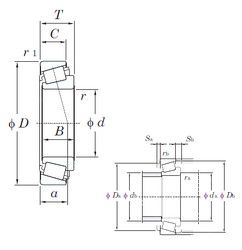
398/394AS — Подшипник роликовый радиально-упорный, импортное производство по ISO стандарту, размер 50x112x21 номер основного исполнения .
Производитель: KOYO.
Шайбы AS упорного игольчатого подшипника, соответствующие для AXK и K811, к DIN 5405-3 / ISO 303
Цена по запросу
Цена на подшипник зависит от:
Габаритные размеры
Размеры и геометрические характеристики
Нагрузка и ресурс
Защита
Коэффициенты для расчета
Присоединительные размеры
Конструкция и исполнение