Главная > Подшипники> Роликовые > Радиально-упорные>39590/39528/Q

39590/39528/Q — Конический роликоподшипник, импортное производство по ISO стандарту, размер 66x119x32 номер основного исполнения .
Производитель: SKF.
Q = тихий ход работы подшипника.
Цена от:787 р.
Цена на подшипник зависит от:
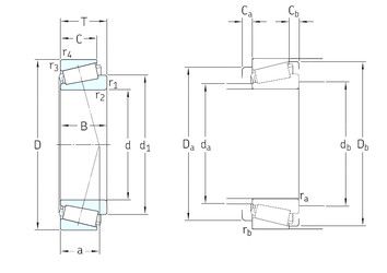
Габаритные размеры
Размеры и геометрические характеристики
Нагрузка и ресурс
Защита
Коэффициенты для расчета
Присоединительные размеры
Конструкция и исполнение