Главная > Подшипники> Роликовые > Радиально-упорные>389S/382A

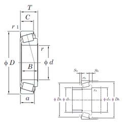
389S/382A — Подшипник роликовый радиально-упорный, импортное производство по ISO стандарту, размер 55x100x26 номер основного исполнения .
Производитель: KOYO.
S3 = Кольца подшипника стабилизированы для рабочих температур до + 300 С
Цена от:737 р.
Цена на подшипник зависит от:
Габаритные размеры
Размеры и геометрические характеристики
Нагрузка и ресурс
Защита
Коэффициенты для расчета
Присоединительные размеры
Конструкция и исполнение
Однорядный конический роликовый подшипник 32211 (CRAFT, CYSD, FAG, FBJ, ISB)
Подшипник роликовый радиальный с короткими роликами 3222211
Подшипник роликовый радиально-упорный конический 5-7511 А1 (ГПЗ-9)
Подшипник роликовый радиально-упорный 5-7511 (ГПЗ-9)
Подшипник роликовый радиально-упорный конический 5-7511 А (ГПЗ-9)
Подшипник роликовый радиально-упорный 5-7511 А3 (ГПЗ-9)