Главная > Подшипники> Роликовые > Радиально-упорные>389DE/382A+Y2S-382A

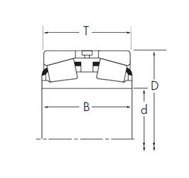
389DE/382A+Y2S-382A — Конический роликоподшипник, импортное производство по ISO стандарту, размер 55x96x51 номер основного исполнения .
Производитель: TIMKEN.
DE = двойная внутренняя гонка, имеющая разные размеры или другие характеристики из одинарных и двойных деталей, идентифицированных с одинаковым номером базовой детали.
Цена от:737 р.
Цена на подшипник зависит от:
Габаритные размеры
Размеры и геометрические характеристики
Защита
Конструкция и исполнение