Главная > Подшипники> Роликовые > Радиально-упорные>389AS/382A

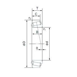
389AS/382A — Однорядный конический роликовый подшипник, импортное производство по ISO стандарту, размер 53x96x21 номер основного исполнения .
Производитель: NACHI.
Шайбы AS упорного игольчатого подшипника, соответствующие для AXK и K811, к DIN 5405-3 / ISO 303
Цена от:737 р.
Цена на подшипник зависит от:
Габаритные размеры
Размеры и геометрические характеристики
Нагрузка и ресурс
Защита
Коэффициенты для расчета
Присоединительные размеры
Конструкция и исполнение
Подшипник роликовый радиально-упорный 389A/382A (CX, FBJ, Fersa, ISO, TIMKEN)
Конический роликоподшипник 4T-389A/382A (NTN)