Главная > Подшипники> Шариковые> Радиально-упорные>3816-B-2Z-TVH

3816-B-2Z-TVH — Подшипник шариковый радиально-упорный, импортное производство по ISO стандарту, размер 80x100x15 номер основного исполнения 3816.
Производитель: FAG.
TV = Твердая клетка из армированного стекловолокном полиамида, шариковая езда.
Цена от:2 308 р.
Цена на подшипник зависит от:
| Обозначение | Модификация |
|---|---|
| 3816-2RS | Резиновые уплотнения с каждой стороны подшипника. |
| 3816-B-2RSR-TVH | 2RSR = Резиновые уплотнения с каждой стороны подшипника. |
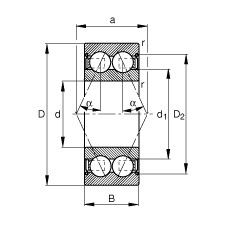
Габаритные размеры
Размеры и геометрические характеристики
Нагрузка и ресурс
Присоединительные размеры
Подшипник шариковый радиально-упорный 3816 ZZ (CX, ISO)
Подшипник шариковый радиально-упорный 3816-B-TVH (FAG)