Главная > Подшипники> Шариковые> Радиально-упорные>3812-B-2Z-TVH

3812-B-2Z-TVH — Подшипник шариковый радиально-упорный, импортное производство по ISO стандарту, размер 60x78x14 номер основного исполнения .
Производитель: FAG.
TV = Твердая клетка из армированного стекловолокном полиамида, шариковая езда.
Цена от:1 661 р.
Цена на подшипник зависит от:
Габаритные размеры
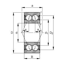
Размеры и геометрические характеристики
Нагрузка и ресурс
Присоединительные размеры
Подшипник шариковый радиально-упорный 3812-B-TVH (FAG)
Подшипник шариковый радиально-упорный 3812 ZZ (CX, ISO)
Подшипник шариковый двухрядный радиально-упорный 3812-2RS (CX, ISO)
Подшипник шариковый радиально-упорный 3812-B-2RSR-TVH (FAG)