Главная > Подшипники> Шариковые> Радиально-упорные>3811-B-2RSR-TVH

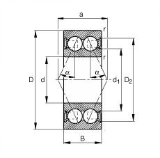
3811-B-2RSR-TVH — Подшипник шариковый радиально-упорный, импортное производство по ISO стандарту, размер 55x72x13 номер основного исполнения .
Производитель: FAG.
2RSR = Резиновые уплотнения с каждой стороны подшипника.
Цена от:1 391 р.
Цена на подшипник зависит от:
Габаритные размеры
Размеры и геометрические характеристики
Нагрузка и ресурс
Присоединительные размеры
Подшипник шариковый радиально-упорный 3811-B-2Z-TVH (FAG)
Подшипник шариковый радиально-упорный 3811-B-TVH (FAG)
Подшипник шариковый радиально-упорный 3811 ZZ (CX, ISO)
Подшипник шариковый двухрядный радиально-упорный 3811-2RS (CX, ISO)