Главная > Подшипники> Шариковые> Радиально-упорные>3809-B-2RSR-TVH

3809-B-2RSR-TVH — Подшипник шариковый радиально-упорный, импортное производство по ISO стандарту, размер 45x58x10 номер основного исполнения 3809.
Производитель: FAG.
2RSR = Резиновые уплотнения с каждой стороны подшипника.
Цена от:1 077 р.
Цена на подшипник зависит от:
| Обозначение | Модификация |
|---|---|
| 3809-2RS | Резиновые уплотнения с каждой стороны подшипника. |
| 3809-B-2Z-TVH | 2Z = Металлические шайбы с каждой стороны подшипника. |
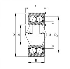
Габаритные размеры
Размеры и геометрические характеристики
Нагрузка и ресурс
Присоединительные размеры
Подшипник шариковый радиально-упорный 3809 ZZ (CX, ISO)
Подшипник шариковый радиально-упорный 3809-B-TVH (FAG)