Главная > Подшипники> Шариковые> Радиально-упорные>3808-B-2RSR-TVH

3808-B-2RSR-TVH — Подшипник шариковый радиально-упорный, импортное производство по ISO стандарту, размер 40x52x10 номер основного исполнения 3808.
Производитель: FAG.
2RSR = Резиновые уплотнения с каждой стороны подшипника.
Цена от:945 р.
Цена на подшипник зависит от:
| Обозначение | Модификация |
|---|---|
| 3808 | Основное конструктивное исполнение. |
| 3808 ZZ | ZZ = Два металлических экрана. |
| 3808-2Z | 2Z = Металлические шайбы с каждой стороны подшипника. |
| 3808-2RS | Резиновые уплотнения с каждой стороны подшипника. |
| 3808-B-TVH | TV = Твердая клетка из армированного стекловолокном полиамида, шариковая езда. |
| 3808-B-2Z-TVH | 2Z = Металлические шайбы с каждой стороны подшипника. |
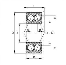
Габаритные размеры
Размеры и геометрические характеристики
Нагрузка и ресурс
Присоединительные размеры