Главная > Подшипники> Шариковые> Радиально-упорные>3805-B-2Z-TVH

3805-B-2Z-TVH — Подшипник шариковый радиально-упорный, импортное производство по ISO стандарту, размер 25x37x10 номер основного исполнения 3805.
Производитель: FAG.
TV = Твердая клетка из армированного стекловолокном полиамида, шариковая езда.
Цена от:433 р.
Цена на подшипник зависит от:
| Обозначение | Модификация |
|---|---|
| 3805 | Основное конструктивное исполнение. |
| 3805 ZZ | ZZ = Два металлических экрана. |
| 3805-2Z | 2Z = Металлические шайбы с каждой стороны подшипника. |
| 3805-2RS | Резиновые уплотнения с каждой стороны подшипника. |
| 3805-B-TVH | TV = Твердая клетка из армированного стекловолокном полиамида, шариковая езда. |
| 3805-B-2RSR-TVH | 2RSR = Резиновые уплотнения с каждой стороны подшипника. |
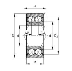
Габаритные размеры
Размеры и геометрические характеристики
Нагрузка и ресурс
Присоединительные размеры
Радиальный шарикоподшипник W 63805 R (SKF)
Подшипник однорядный шариковый радиальный SSF63805 (NIS)
Подшипник однорядный шариковый радиальный SSF63805 ZZ (NIS)
Подшипник однорядный шариковый радиальный SSF63805 2RS (NIS)
Подшипник однорядный шариковый радиальный SS63805 2RS (NIS)
Подшипник однорядный шариковый радиальный SS63805 (NIS)