Главная > Подшипники> Роликовые > Радиально-упорные>3780F1/3720

3780F1/3720 — Подшипник роликовый радиально-упорный, импортное производство по ISO стандарту, размер 50x93x30 номер основного исполнения .
Производитель: KBC.
Механически обработанный сепаратор из стали или чугуна, центрируемый по телам качения.
Цена от:662 р.
Цена на подшипник зависит от:
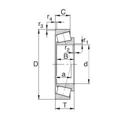
Габаритные размеры
Размеры и геометрические характеристики
Нагрузка и ресурс
Защита
Коэффициенты для расчета
Присоединительные размеры
Конструкция и исполнение
Подшипник роликовый радиально-упорный 67910A (EPK)
Подшипник роликовый радиально-упорный 67910 А (ГПЗ-15)
Подшипник роликовый радиально-упорный 3780/3730 (CX, FBJ, ISO, KOYO, NACHI)
Однорядный конический роликовый подшипник 3780/3720B (TIMKEN)
Однорядный конический роликовый подшипник 3780/3720 (CX, FBJ, Fersa, ISB, ISO)
Подшипник роликовый радиально-упорный 3780/3727 (Fersa)