Главная > Подшипники> Роликовые > Радиально-упорные>377S/372

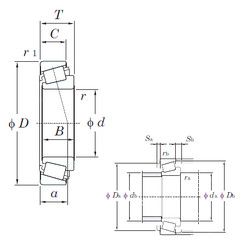
377S/372 — Подшипник роликовый радиально-упорный, импортное производство по ISO стандарту, размер 51x93x22 номер основного исполнения .
Производитель: KOYO.
S3 = Кольца подшипника стабилизированы для рабочих температур до + 300 С
Цена по запросу
Цена на подшипник зависит от:
Габаритные размеры
Размеры и геометрические характеристики
Нагрузка и ресурс
Защита
Коэффициенты для расчета
Присоединительные размеры
Конструкция и исполнение