Главная > Подшипники> Роликовые > Радиально-упорные>3779/3732

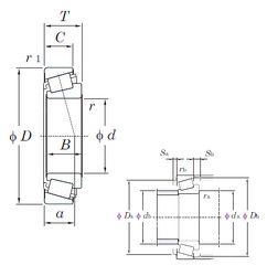
3779/3732 — Подшипник роликовый радиально-упорный, импортное производство по ISO стандарту, размер 47x98x30 номер основного исполнения .
Производится брендами: KOYO, TIMKEN.
Цена от:2 690 р.
Цена на подшипник зависит от:
Габаритные размеры
Размеры и геометрические характеристики
Нагрузка и ресурс
Защита
Коэффициенты для расчета
Присоединительные размеры
Конструкция и исполнение