Главная > Подшипники> Роликовые > Радиально-упорные>375D/374+Y1S-374

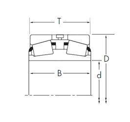
375D/374+Y1S-374 — Конический роликоподшипник, импортное производство по ISO стандарту, размер 50x93x50 номер основного исполнения .
Производитель: TIMKEN.
S3 = Кольца подшипника стабилизированы для рабочих температур до + 300 С
Цена по запросу
Цена на подшипник зависит от:
Габаритные размеры
Размеры и геометрические характеристики
Защита
Конструкция и исполнение