Главная > Подшипники> Роликовые > Радиально-упорные>37431/37625

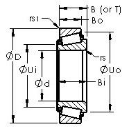
37431/37625 — Однорядный конический роликовый подшипник, импортное производство по ISO стандарту, размер 109x158x23 номер основного исполнения .
Производится брендами: AST, CX, FBJ, Fersa, ISO, KOYO, TIMKEN.
Цена от:2 255 р.
Цена на подшипник зависит от:
Габаритные размеры
Размеры и геометрические характеристики
Нагрузка и ресурс
Защита
Коэффициенты для расчета
Присоединительные размеры
Конструкция и исполнение
Прочие характеристики
Однорядный конический роликовый подшипник 37431A/37625 (CX, Fersa, ISO, TIMKEN)
Конический роликоподшипник 37431A/625 (PFI)
Конический роликоподшипник 4T-37431/37625 (NTN)
Конический роликоподшипник 4T-37431A/37625 (NTN)
Однорядный конический роликовый подшипник 57551 (KOYO)
Подшипник роликовый радиально-упорный F15165 (Fersa)