Главная > Подшипники> Роликовые > Радиально-упорные>369S/363

369S/363 — Подшипник роликовый радиально-упорный, импортное производство по ISO стандарту, размер 47x90x20 номер основного исполнения .
Производится брендами: Fersa, KOYO.
S3 = Кольца подшипника стабилизированы для рабочих температур до + 300 С
Цена от:632 р.
Цена на подшипник зависит от:
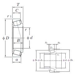
Габаритные размеры
Размеры и геометрические характеристики
Нагрузка и ресурс
Защита
Коэффициенты для расчета
Присоединительные размеры
Конструкция и исполнение
Радиальный шарикоподшипник B47-7a1 (NSK)
Радиальный шарикоподшипник CUS210-30 (SNR)
Радиальный шарикоподшипник US210-30 (SNR)
Подшипник роликовый радиально-упорный 369-S/362 (Fersa, TIMKEN)
Подшипник роликовый радиально-упорный 369A/363 (Fersa)
Однорядный конический роликовый подшипник 369A/362 (TIMKEN)