Главная > Подшипники> Роликовые > Радиально-упорные>369S/2/362A/2/Q

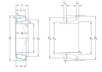
369S/2/362A/2/Q — Однорядный конический роликовый подшипник, импортное производство по ISO стандарту, размер 47x88x20 номер основного исполнения .
Производитель: SKF.
S2 = Кольца подшипника стабилизированы для рабочих температур до + 250 С.
Цена от:632 р.
Цена на подшипник зависит от:
Габаритные размеры
Размеры и геометрические характеристики
Нагрузка и ресурс
Защита
Коэффициенты для расчета
Присоединительные размеры
Конструкция и исполнение
Подшипник роликовый радиально-упорный 369S/362A (CX, FBJ, Fersa, ISO, TIMKEN)
Однорядный конический роликовый подшипник 369A/362A (CX, FBJ, Fersa, ISO, KOYO)
Конический роликоподшипник 4T-369A/362A (NTN)