Главная > Подшипники> Шариковые> Радиально-упорные>35BX5212-DDST2NB

35BX5212-DDST2NB — Радиально-упорный шарикоподшипник, импортное производство по ISO стандарту, размер 35x52x12 номер основного исполнения 35BX5212.
Производитель: NSK.
DD = резиновые уплотнения на каждой стороне подшипника.
Цена по запросу
Цена на подшипник зависит от:
| Обозначение | Модификация |
|---|---|
| 35BX5212 S1-2DST2B1 | S1 = Кольца подшипника стабилизированы для рабочих температур до + 200 С. |
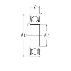
Габаритные размеры
Размеры и геометрические характеристики
Защита
Конструкция и исполнение
Подшипник шариковый упорный однонаправленный 51107 (AST, CRAFT, CX, FAG, FBJ)
Подшипник упорный шариковый одинарный 8107
Подшипник упорный шариковый одинарный 2-8107 (ГПЗ-2)
Подшипник упорный шариковый одинарный 4-8107 (ГПЗ-2)
Подшипник упорный шариковый одинарный 5-8107
Подшипник упорный шариковый одинарный 6-8107