Главная > Подшипники> Роликовые > Радиально-упорные>359S/352

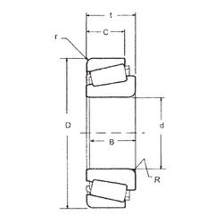
359S/352 — Однорядный конический роликовый подшипник, импортное производство по ISO стандарту, размер 46x90x23 номер основного исполнения .
Производится брендами: CX, FBJ, ISO, TIMKEN.
S3 = Кольца подшипника стабилизированы для рабочих температур до + 300 С
Цена от:1 604 р.
Цена на подшипник зависит от:
Габаритные размеры
Размеры и геометрические характеристики
Нагрузка и ресурс
Защита
Коэффициенты для расчета
Присоединительные размеры
Конструкция и исполнение