Главная > Подшипники> Роликовые > Радиально-упорные>3583R/3526

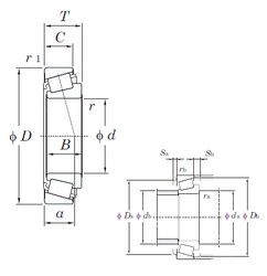
3583R/3526 — Подшипник роликовый радиально-упорный, импортное производство по ISO стандарту, размер 38x79x30 номер основного исполнения .
Производитель: KOYO.
R = Наружное кольцо с фланцем .
Цена по запросу
Цена на подшипник зависит от:
Габаритные размеры
Размеры и геометрические характеристики
Нагрузка и ресурс
Защита
Коэффициенты для расчета
Присоединительные размеры
Конструкция и исполнение