Главная > Подшипники> Роликовые > Радиально-упорные>3581R/3525

3581R/3525 — Подшипник роликовый радиально-упорный, импортное производство по ISO стандарту, размер 34x87x30 номер основного исполнения .
Производитель: KOYO.
R = Наружное кольцо с фланцем .
Цена по запросу
Цена на подшипник зависит от:
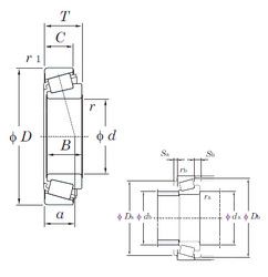
Габаритные размеры
Размеры и геометрические характеристики
Нагрузка и ресурс
Защита
Коэффициенты для расчета
Присоединительные размеры
Конструкция и исполнение
Однорядный конический роликовый подшипник 3581/3525 (TIMKEN)
Конический роликоподшипник 3581/3525-B (TIMKEN)