Главная > Подшипники> Роликовые > Радиально-упорные>3580/3525

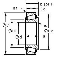
3580/3525 — Однорядный конический роликовый подшипник, импортное производство по ISO стандарту, размер 38x87x30 номер основного исполнения .
Производится брендами: AST, CX, FBJ, ISO, TIMKEN.
Цена по запросу
Цена на подшипник зависит от:
Габаритные размеры
Размеры и геометрические характеристики
Нагрузка и ресурс
Защита
Коэффициенты для расчета
Присоединительные размеры
Конструкция и исполнение
Прочие характеристики
Конический роликоподшипник 3583/3525-B (TIMKEN)
Однорядный конический роликовый подшипник 3583/3525 (TIMKEN)
Однорядный конический роликовый подшипник 3580/3525-B (TIMKEN)
Конический роликоподшипник 4T-3580/3525 (NTN)