Главная > Подшипники> Роликовые > Радиально-упорные>358/352

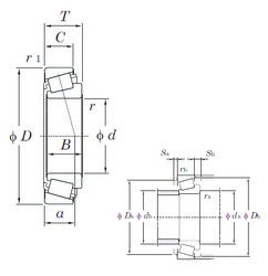
358/352 — Подшипник роликовый радиально-упорный, импортное производство по ISO стандарту, размер 45x90x23 номер основного исполнения .
Производится брендами: KOYO, TIMKEN.
Цена от:2 802 р.
Цена на подшипник зависит от:
Габаритные размеры
Размеры и геометрические характеристики
Нагрузка и ресурс
Защита
Коэффициенты для расчета
Присоединительные размеры
Конструкция и исполнение
Подшипник шариковый двухрядный самоустанавливающийся 11509
Подшипник роликовый радиальный с короткими цилиндрическими роликами без внутреннего кольца 292406Н
Подшипник роликовый радиальный сферический двухрядный с закрепительной втулкой 13509
Подшипник роликовый радиальный двухрядный сферический с закрепительной втулкой 353509
Подшипник роликовый радиальный сферический двухрядный со стяжной втулкой 753509
Подшипник шариковый радиальный самоцентрирующийся 2210-2RS KTN9+H310 (ISB)