Главная > Подшипники> Роликовые > Радиально-упорные>3579R/3520

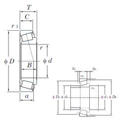
3579R/3520 — Подшипник роликовый радиально-упорный, импортное производство по ISO стандарту, размер 42x85x30 номер основного исполнения .
Производитель: KOYO.
R = Наружное кольцо с фланцем .
Цена от:1 365 р.
Цена на подшипник зависит от:
Габаритные размеры
Размеры и геометрические характеристики
Нагрузка и ресурс
Защита
Коэффициенты для расчета
Присоединительные размеры
Конструкция и исполнение
Радиальный шарикоподшипник GRA111RRB (TIMKEN)
Подшипник шариковый радиальный SA209-27F (FYH, KOYO)
Подшипник для корпуса YET209-111 (SKF)