Главная > Подшипники> Роликовые > Радиально-упорные>3578AR/3525

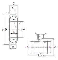
3578AR/3525 — Подшипник роликовый радиально-упорный, импортное производство по ISO стандарту, размер 44x79x30 номер основного исполнения .
Производитель: KOYO.
A = Модифицированная внутренняя конструкция. R = Наружное кольцо с фланцем.
Цена от:2 385 р.
Цена на подшипник зависит от:
Габаритные размеры
Размеры и геометрические характеристики
Нагрузка и ресурс
Защита
Коэффициенты для расчета
Присоединительные размеры
Конструкция и исполнение