Главная > Подшипники> Роликовые > Радиально-упорные>355/354

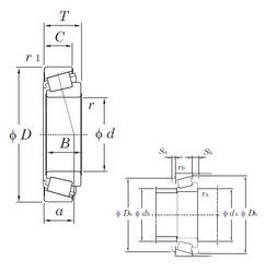
355/354 — Подшипник роликовый радиально-упорный, импортное производство по ISO стандарту, размер 44x79x21 номер основного исполнения .
Производитель: KOYO.
Цена от:1 394 р.
Цена на подшипник зависит от:
Габаритные размеры
Размеры и геометрические характеристики
Нагрузка и ресурс
Защита
Коэффициенты для расчета
Присоединительные размеры
Конструкция и исполнение