Главная > Подшипники> Роликовые > Радиально-упорные>350A/354A

350A/354A — Подшипник роликовый радиально-упорный, импортное производство по ISO стандарту, размер 40x85x20 номер основного исполнения .
Производится брендами: CX, FBJ, ISO, KOYO, TIMKEN.
A = внутренняя модификация конструкции.
Цена от:5 084 р.
Цена на подшипник зависит от:
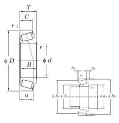
Габаритные размеры
Размеры и геометрические характеристики
Нагрузка и ресурс
Защита
Коэффициенты для расчета
Присоединительные размеры
Конструкция и исполнение
Подшипник шариковый радиальный HC6209DDF1h (KBC)
Цилиндрический роликоподшипник N40000H100 (SNR)
Однорядный цилиндрический роликовый подшипник N40000S04H100 (SNR)
Однорядный конический роликовый подшипник 112040/112085C (Gamet)
Подшипник роликовый радиально-упорный 112040/112085 (Gamet)
Однорядный конический роликовый подшипник 350/354A (TIMKEN)