Главная > Подшипники> Роликовые > Радиально-упорные>3483/3420

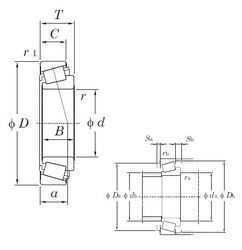
3483/3420 — Подшипник роликовый радиально-упорный, импортное производство по ISO стандарту, размер 33x79x29 номер основного исполнения .
Производится брендами: KOYO, TIMKEN.
Цена по запросу
Цена на подшипник зависит от:
Габаритные размеры
Размеры и геометрические характеристики
Нагрузка и ресурс
Защита
Коэффициенты для расчета
Присоединительные размеры
Конструкция и исполнение
Подшипник роликовый радиально-упорный 3477/3422 (KOYO)
Однорядный конический роликовый подшипник 3477/3420 (Fersa, KOYO, TIMKEN)
Конический роликоподшипник 3483/3420-B (TIMKEN)
Конический роликоподшипник 3477/3420-B (TIMKEN)