Главная > Подшипники> Роликовые > Радиально-упорные>3482/3420

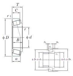
3482/3420 — Подшипник роликовый радиально-упорный, импортное производство по ISO стандарту, размер 34x79x29 номер основного исполнения .
Производится брендами: KOYO, TIMKEN.
Цена по запросу
Цена на подшипник зависит от:
Габаритные размеры
Размеры и геометрические характеристики
Нагрузка и ресурс
Защита
Коэффициенты для расчета
Присоединительные размеры
Конструкция и исполнение
Однорядный конический роликовый подшипник 3478/3420 (CX, FBJ, Fersa, ISO, KOYO)
Однорядный конический роликовый подшипник 3478/3420-B (TIMKEN)
Однорядный конический роликовый подшипник 3482/3426 (TIMKEN)
Конический роликоподшипник 3482/3420-B (TIMKEN)
Однорядный конический роликовый подшипник 4T-3478/3420 (NTN)
Подшипник роликовый радиально-упорный HI-CAP TR070803 (KOYO)