Главная > Подшипники> Роликовые > Радиально-упорные>3476X/3420

3476X/3420 — Подшипник роликовый радиально-упорный, импортное производство по ISO стандарту, размер 31x79x29 номер основного исполнения .
Производитель: KOYO.
X = Внешние размеры, соответствующие международным стандартам.
Цена от:637 р.
Цена на подшипник зависит от:
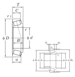
Габаритные размеры
Размеры и геометрические характеристики
Нагрузка и ресурс
Защита
Коэффициенты для расчета
Присоединительные размеры
Конструкция и исполнение
Однорядный конический роликовый подшипник 3476/3420 (CX, FBJ, ISO, TIMKEN)
Конический роликоподшипник 3476/3420-B (TIMKEN)
Однорядный конический роликовый подшипник 3476/3422 (KOYO)
Конический роликоподшипник 4T-3476/3420 (NTN)
Конический роликоподшипник 567486A.H84 (FAG)