Главная > Подшипники> Роликовые > Радиально-упорные>343/332

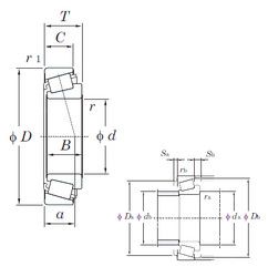
343/332 — Подшипник роликовый радиально-упорный, импортное производство по ISO стандарту, размер 34x81x22 номер основного исполнения .
Производитель: KOYO.
Цена по запросу
Цена на подшипник зависит от:
Габаритные размеры
Размеры и геометрические характеристики
Нагрузка и ресурс
Защита
Коэффициенты для расчета
Присоединительные размеры
Конструкция и исполнение