Главная > Подшипники> Роликовые > Радиально-упорные>342S/332

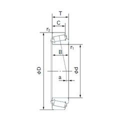
342S/332 — Однорядный конический роликовый подшипник, импортное производство по ISO стандарту, размер 42x80x21 номер основного исполнения .
Производится брендами: CX, ISO, KOYO, NACHI, NIS, NSK, TIMKEN.
S3 = Кольца подшипника стабилизированы для рабочих температур до + 300 С
Цена от:645 р.
Цена на подшипник зависит от:
Габаритные размеры
Размеры и геометрические характеристики
Нагрузка и ресурс
Защита
Коэффициенты для расчета
Присоединительные размеры
Конструкция и исполнение
Прочие характеристики