Главная > Подшипники> Роликовые > Радиально-упорные>33895/33822

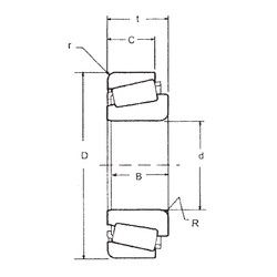
33895/33822 — Однорядный конический роликовый подшипник, импортное производство по ISO стандарту, размер 53x95x27 номер основного исполнения .
Производится брендами: CX, FBJ, Fersa, ISB, ISO, KOYO, TIMKEN.
Цена от:1 952 р.
Цена на подшипник зависит от:
Габаритные размеры
Размеры и геометрические характеристики
Нагрузка и ресурс
Защита
Коэффициенты для расчета
Присоединительные размеры
Конструкция и исполнение
Однорядный конический роликовый подшипник 33895/33822/Q (SKF)
Однорядный конический роликовый подшипник 33895/33821 (CX, FBJ, Fersa, ISB, ISO)
Однорядный конический роликовый подшипник 4T-33895/33822 (NTN)
Подшипник роликовый конический K33895-33822 (FAG)