Главная > Подшипники> Роликовые > Радиально-упорные>3383/3328

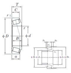
3383/3328 — Подшипник роликовый радиально-упорный, импортное производство по ISO стандарту, размер 41x84x29 номер основного исполнения .
Производится брендами: KOYO, TIMKEN.
Цена по запросу
Цена на подшипник зависит от:
Габаритные размеры
Размеры и геометрические характеристики
Нагрузка и ресурс
Защита
Коэффициенты для расчета
Присоединительные размеры
Конструкция и исполнение