Главная > Подшипники> Роликовые > Радиально-упорные>3379/3320

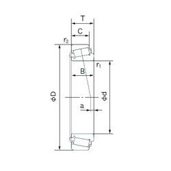
3379/3320 — Однорядный конический роликовый подшипник, импортное производство по ISO стандарту, размер 34x80x29 номер основного исполнения .
Производится брендами: CX, FBJ, ISO, NACHI, TIMKEN.
Цена от:1 192 р.
Цена на подшипник зависит от:
Габаритные размеры
Размеры и геометрические характеристики
Нагрузка и ресурс
Защита
Коэффициенты для расчета
Присоединительные размеры
Конструкция и исполнение
Однорядный конический роликовый подшипник 3379/3339 (TIMKEN)
Однорядный конический роликовый подшипник 4T-3379/3320 (NTN)