Главная > Подшипники> Роликовые > Радиально-упорные>335/332A

335/332A — Подшипник роликовый радиально-упорный, импортное производство по ISO стандарту, размер 34x80x24 номер основного исполнения .
Производится брендами: KOYO, TIMKEN.
A = внутренняя модификация конструкции.
Цена по запросу
Цена на подшипник зависит от:
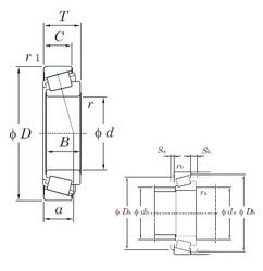
Габаритные размеры
Размеры и геометрические характеристики
Нагрузка и ресурс
Защита
Коэффициенты для расчета
Присоединительные размеры
Конструкция и исполнение
Подшипник роликовый радиально-упорный 100034X/100080C (Gamet)
Подшипник роликовый радиально-упорный 100034X/100080 (Gamet)
Подшипник роликовый радиально-упорный 27875/27820 (KOYO, TIMKEN)