Главная > Подшипники> Роликовые > Радиально-упорные>33281/33472

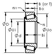
33281/33472 — Однорядный конический роликовый подшипник, импортное производство по ISO стандарту, размер 71x120x29 номер основного исполнения .
Производится брендами: AST, Fersa, NACHI, TIMKEN.
Цена от:2 385 р.
Цена на подшипник зависит от:
Габаритные размеры
Размеры и геометрические характеристики
Нагрузка и ресурс
Защита
Коэффициенты для расчета
Присоединительные размеры
Конструкция и исполнение
Прочие характеристики