Главная > Подшипники> Роликовые > Радиально-упорные>33281/33462

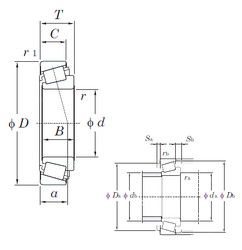
33281/33462 — Однорядный конический роликовый подшипник, импортное производство по ISO стандарту, размер 71x117x30 номер основного исполнения .
Производится брендами: CX, FBJ, Fersa, ISB, ISO, KOYO, NACHI, NIS, NSK, TIMKEN.
Цена от:2 385 р.
Цена на подшипник зависит от:
Габаритные размеры
Размеры и геометрические характеристики
Нагрузка и ресурс
Защита
Коэффициенты для расчета
Присоединительные размеры
Конструкция и исполнение
Прочие характеристики
Однорядный конический роликовый подшипник 33281/33461 (TIMKEN)
Однорядный конический роликовый подшипник 33281/33462-B (TIMKEN)
Конический роликоподшипник 4T-33281/33462 (NTN)